LTZD Series Planetary Gearboxes
The LTZD series planetary gearboxes feature a modular design, allowing for modification and combination according to customer needs. They employ involute planetary gear transmission, utilizing internal and external meshing and power splitting; the gears undergo carburizing and quenching treatment to achieve high hardness and wear-resistant surfaces.
Planetary gear reducers offer a reduction ratio range of 25-4000 r/min and a maximum output torque of 2,600,000 Nm, suitable for motors with power ranging from 0.4 to 12934 kW. These reducers come in various specifications, featuring 2 or 3 stages of planetary gears and can be combined with different types of primary gears, such as helical gears, bevel gears, or a combination of helical and spur gears.
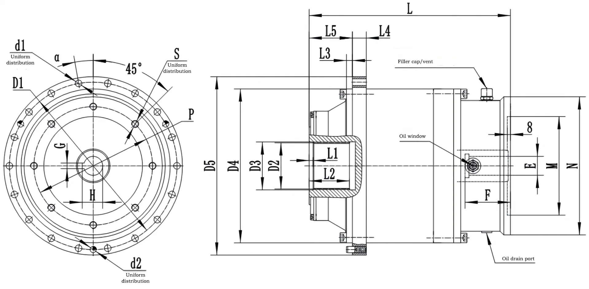
| Specifications/Item | LTZD410L | LTZD450L | LTZD490L | LTZD560L | LTZD680L |
|---|---|---|---|---|---|
| d1 | 15-φ 17.5 | 18-φ 17.5 | 24-φ 20 | 24-φ 26 | 30-φ 26 |
| D1 | φ 370 | φ 424 | φ 445 | φ 515 | φ 620 |
| L1 | 10 | 10 | 12 | 20 | 20 |
| L | 500 | 509.5 | 630 | 670 | 735 |


High-quality selection ensures structural stability. Compact design and installation, lightweight construction.
All gears are manufactured using a grinding process to ensure high precision and excellent meshing contact.
Dual semi-synchronous drive, high load capacity, smooth rotation, and low noise operation.
LTZD Series Pipe Jacking
LTHZ Series Hydraulic Power
LTHS Series Three-axis
Planetary gear reducers are suitable for industries such as lifting and transportation, engineering machinery, metallurgy, mining, petrochemicals, construction machinery, light industry, textiles, medical equipment, instrumentation, automobiles, shipbuilding, and aerospace.
Concrete Pump
Precision Gear
Gear Shaft



A: We are a joint company of trade and industry with our own manufacturing facility that has been operating for over 34 years.
A: Our main range includes concrete pump trucks, concrete mixers, batching plants, planetary gearboxes, and related spare parts.
A: We offer comprehensive product testing, purchasing services, and rigorous quality inspection throughout the production process.
A: Every node of raw material is inspected strictly. We use advanced equipment for welding and processing to ensure the highest reliability.
A: Our engineers analyze issues and find solutions. Within the guarantee period, we can replace components free of charge.
A: Yes, we support customized mechanical product design including core components, appearance, and labeling (OEM/ODM).